Published:2009/6/30 2:27:00 Author:May | From:SeekIC

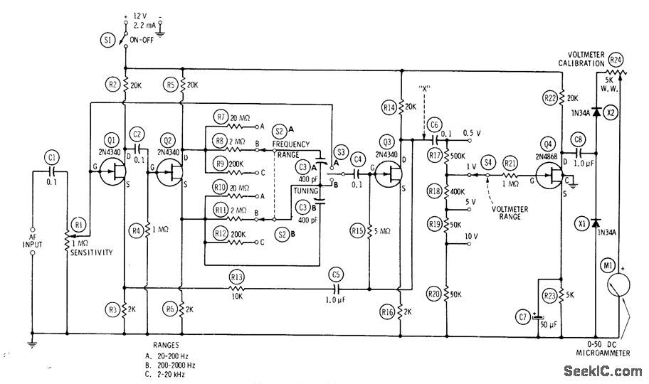
Used to measure total harmonic distortion of audio amplifier、component、or network.Pure sine-wavesignal is applied to devlee under test, and output of device is fed to AF input of distortion meter. After setting S2 to appropriate frequency range, close S1, set S3 at A, set S4 at appropriate voltage range, and adjust R1 for fullscale meter deflection. Record this voltage as E1. Set S3 to B, tune C3 for null, then set S4 to successively lower ranges for accurate reading of voltage at null. Record residual null voltage as E2. Percentage distortion is then 100E2/ E1.-R. P. Tumer, FET Circuits, Howard W.Sams, Indianapolis, IN, 1977, 2nd Ed., p 147-150.
Reprinted Url Of This Article:
http://www.seekic.com/circuit_diagram/Measuring_and_Test_Circuit/HARMONIC_DISTORTION_METER.html
Print this Page | Comments | Reading(3)
Code: