Published:2009/7/13 23:10:00 Author:May | From:SeekIC

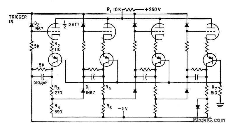
Counts reliably up to about 500 kc, with trigger amplitude of 4.5V All stages are identical.-G. A. Dunn and N.C. Hekimian. Tube-Transistor Hybrids Prove Design Economy. Electronics.32:23,p68-70.
Reprinted Url Of This Article:
http://www.seekic.com/circuit_diagram/Measuring_and_Test_Circuit/HYBRID_RING_COUNTER.html
Print this Page | Comments | Reading(3)
Code: