© 2008-2012 SeekIC.com Corp.All Rights Reserved.
Published:2011/8/24 21:30:00 Author:Christina | Keyword: Humidity measurement, thermistor | From:SeekIC

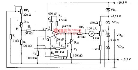
The humidity measurement circuit with the thermistor is as shown in the figure. It uses the thermistor to measure the dry & wet ball temperature, and it directly displays the measured humidity through the current meter. The thermistor RT1, the resistor RP1 and R3 detect the temperature of the wet ball, and this temperature adds to the reverse phase input port of the A1; the thermistor RT2, the resistor R7 detect the temperature of the dry ball, and this temperature adds to the in-phase input port of A1. The C1 and R5 can be used to compensate the input frequency, the C2 can be used to compensate the output frequency, the RP2 can be used to adjust the sensitivity of the current meter.
Reprinted Url Of This Article:
http://www.seekic.com/circuit_diagram/Measuring_and_Test_Circuit/Humidity_measurement_circuit_with_the_thermistor.html
Print this Page | Comments | Reading(3)
Response in 12 hours
© 2008-2012 SeekIC.com Corp.All Rights Reserved.
Code: