Published:2011/5/3 1:24:00 Author:Nicole | Keyword: hypoxia, monitoring | From:SeekIC

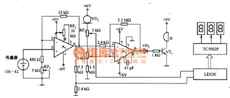
The figure 1 is a hypoxia monitoring circuit. Its sensor adopts battery oxygen sensor OS-12. In the oxygen concentration range of 0%~100%, OS-12 has characteristic of linear output, if the sensor output is connected to A/D converter, then it can accurately display the monitored oxygen concentration as digital form. Hypoxia monitoring circuit uses 3 LED nixietubes to display the monitored oxygen concentration, when the oxygen concentration is less than 18%, buzzer B will send out hypoxia warning singal.
A1 is DC amplifier, it can amplify the sensor output about 20 times, the amplified singal is added to LD130, 3 LED nixietubes are drived by decoding driver TC5002P, the oxygen concentration will be dispalyed as digital form. VD1 is constant current diode, it provides LDl30 with 2V voltage reference. It also provides A2 comparator circuit in-phase input terminal with voltage reference. To adjust RP4 to make the oxygen concentration is less than 18%, then A2 outputs high level, VT1 turns on, B sends out alarm.
Reprinted Url Of This Article:
http://www.seekic.com/circuit_diagram/Measuring_and_Test_Circuit/Hypoxia_monitoring_circuit_diagram.html
Print this Page | Comments | Reading(3)
Code: