Published:2009/7/1 2:02:00 Author:May | From:SeekIC

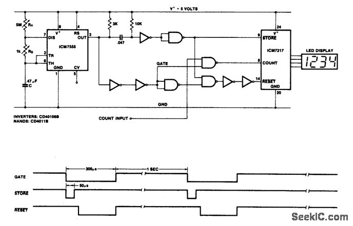
Circuit NotesThis circuit uses the low power ICM7555(CMOS 555)to generate the gating,STORE and RESET signals,To provide the gating stgnal,the timer IS configured as an astable multivibrator. The system is calibrated by using a 5 M potentiometer for Ra as a coarse control and a 1 jk potentiometer for Re as a fine control.CD40106B's are used as a monostable multivibrator and reset time delay.
Reprinted Url Of This Article:
http://www.seekic.com/circuit_diagram/Measuring_and_Test_Circuit/INEXPENSIVE_FREQUENCY_COUNTER_TACHO_METER.html
Print this Page | Comments | Reading(3)
Code: