Published:2009/7/9 20:42:00 Author:May | From:SeekIC

A designer often needs to know the value of the internal resistance of a battery. Quite a few testers give a relative indication of the value, but this is seldom in ohms. The present tester can, in principle, provide that information.
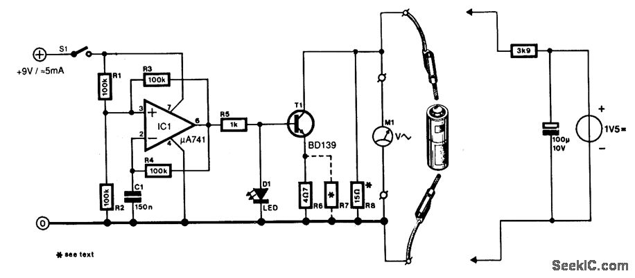
The basic idea behind it is to load the battery with a varying current, so as to cause an alternatingvoltage drop across the internal resistance that can be measured at the battery terminals. Provided that current variations are regular and constant, the voltage drop is directly proportional to the internal resistance.
Choose the variation of the current carefully to read the value of the internal resistance directly on the scale of an ac voltmeter.
The load current is varied with the aid of a current source, T1 in the diagram, which is switched on and off by square-wave generator IC1. The chosen switching frequency of 50 Hz ensures that the ac component at the battery terminals can be measured by a standard ac voltmeter (universal meter).
The battery is loaded constantly by R8, which has a value of 1.5Ω for 1.5-V batteries, shunted by the ac voltmeter. The indicated voltage times 10 is the value of the internal resistance of the battery. When the battery under test is flat or if the supply battery is flat, no current flows and the meter will read zero. It would then appear as if the battery under test is an ideal type-without internal resistance.
A flat supply battery is indicated if Dl does not light. You can ascertain that the battery under test is flat by measuring the direct voltage across its terminals. The load must be left connected, of course, oth-erwise the emf is measured and this may well be 1.5 V-even if the battery is flat.
The tester is calibrated with the aid of the auxiliary circuit (shown at the extreme right in the circuit diagram). The 1.5-V supply and electrolytic capacitor form a virtually ideal voltage source, of which the 3.9-Ω resistor forms the internal resistance. With this source connected across the output terminals of the tester, a suitable value should be ascertained for R7. That value is found when the ac voltmeter shows 0.39 V. Notice that this procedure is not the same for all measuring instruments: the alternate use of the digital and a moving coil meter, for instance, is not feasible.
The tester is intended for 1.5-V batteries. The load current is fairly high: about 100 mA through R8 and around 170 mA through T1. For 9-V batteries that current is too high: the current should then be reduced by taking greater values for R6 through R8.
Reprinted Url Of This Article:
http://www.seekic.com/circuit_diagram/Measuring_and_Test_Circuit/INTERNAL_RESISTANCE_BATTERY_TESTER.html
Print this Page | Comments | Reading(3)
Code: