Published:2009/7/11 5:25:00 Author:May | From:SeekIC

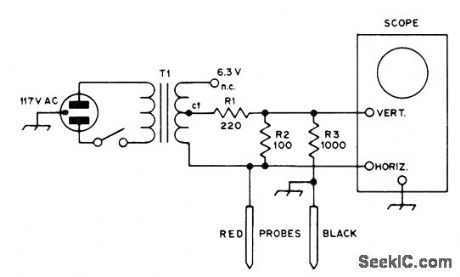
Eliminates need for removing components one by one for testing. Voltages and currents used are low enough for almost any transistorized circuit. Will test for shorts and opens. Shows folward-reverse ratios on junction transistors and diodes. Lissajous figures and other combination displays on CRO facilitate analysis of circuits having reactive components, transistors, and ICs. Will detect high-resistance solder joint and check continuity of switches, fuses, lamps, and printed wiring. Displays form hands of clock or ovals. Vertical line indicates short, horizontal means open, slant indicates resistance, vertical oval is inductance, horizontal oval ii capacitance, diode and highest-merit transistor show 3 o'clock, fair transistorshows 4 o'clock, and poor transistor shows 5 o'clock. For other patterns, compare with those obtained with known good components.-D. L. Ludlow, The Octopus, QST, Jan. 1975, p 40-42.
Reprinted Url Of This Article:
http://www.seekic.com/circuit_diagram/Measuring_and_Test_Circuit/IN_CIRCUIT_TESTER.html
Print this Page | Comments | Reading(3)
Code: