Published:2009/7/16 4:15:00 Author:Jessie | From:SeekIC


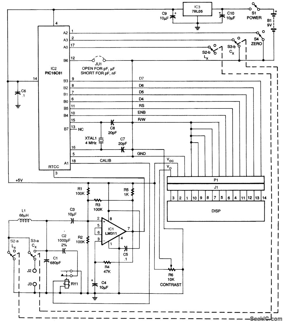
This circuit uses a microcontroller and a LED display,IC1 is an oscillator in which the unknown component is placed for measurement,and IC2 is a PIC16C61 microcontroller that calculates the unknown value and drives the LCD The microcontroller must be programmed;the program is given in listing 1.
Reprinted Url Of This Article:
http://www.seekic.com/circuit_diagram/Measuring_and_Test_Circuit/LC_SELF_CALIBRATING_METER.html
Print this Page | Comments | Reading(3)
Code: