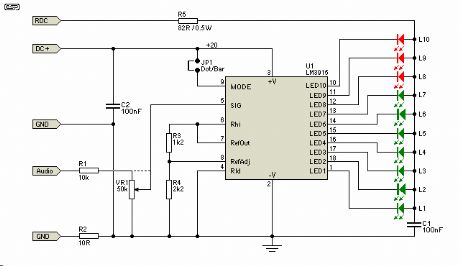
Published:2013/4/26 1:37:00 Author:muriel | Keyword: LED , Audio , VU Meter | From:SeekIC

Reprinted Url Of This Article:
http://www.seekic.com/circuit_diagram/Measuring_and_Test_Circuit/LED_Audio_VU_Meter.html
Print this Page | Comments | Reading(3)
Code: