Published:2009/6/28 21:18:00 Author:May | From:SeekIC

Circuit Notes
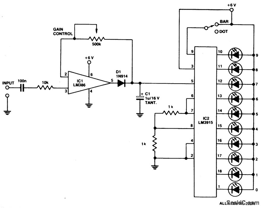
A simple level of power meter can be arranged to give a bar or dot display for a hi-fi system. Use green LEDs for 0 to 7; yellow for 8 and red for 9 to indicate peak power. The gain control is provided to enable alibration on the equipment with which the unit is used. Because the unit draws some 200 mA, a power supply is advisable instead of running the unit from bat-teries.
Reprinted Url Of This Article:
http://www.seekic.com/circuit_diagram/Measuring_and_Test_Circuit/LED_BAR_DOT_LEVEL_METER.html
Print this Page | Comments | Reading(3)
Code: