About SeekIC | Services | Payment | Advertisements service | Contact Us | Links
© 2008-2012 SeekIC.com Corp.All Rights Reserved.
Published:2011/11/3 1:04:00 Author:May | Keyword: LED display, electronic voltmeter | From:SeekIC

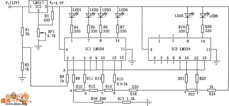
This circuit mainly consists of six light-emitting diodes, two integrated circuits and some resistors. It can display the voltage ofcar, motorcycle or electric bicycle batteriesaccording tothe quantityof light-emitting diode lights. Its usage is very convenient.
Reprinted Url Of This Article:
http://www.seekic.com/circuit_diagram/Measuring_and_Test_Circuit/LED_display_electronic_voltmeter_circuit.html
Print this Page | Comments | Reading(3)
Response in 12 hours
© 2008-2012 SeekIC.com Corp.All Rights Reserved.
Code: