Published:2009/7/9 5:35:00 Author:May | From:SeekIC

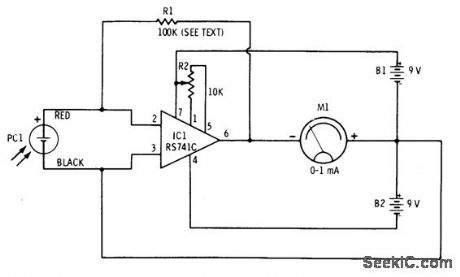
Uses Radio Shack 276-115 selenium solar cell or equivalent photocell with high-gain RS741C opamp to drive meter.Sensitivity is sufficient to detect individual stars at night without magnifying lens if photocell is shielded from ambient light with length of cardboard tubing. Increasing value of R1 increases gain and sensitivity of circuit. R2 sets meter needle to zero when sensor is dark.- F. M Mints, Integrated Circuit Projects, Vol. 4, Radio Shack, Fort Worth, TX, 1977, 2nd Ed., p 45-53.
Reprinted Url Of This Article:
http://www.seekic.com/circuit_diagram/Measuring_and_Test_Circuit/LINEAR_LIGHT_METER.html
Print this Page | Comments | Reading(3)
Code: