Published:2009/6/26 3:55:00 Author:May | From:SeekIC



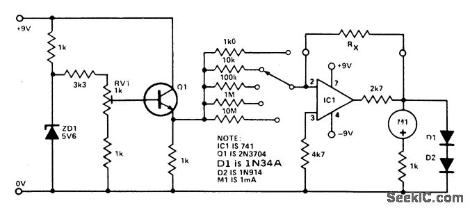
One preset resistor is used for all the ranges, simplifying the setting up. Diode clamping is included to prevent damage to the meter if the unknown resistor is higher than the range selected. When the meter has been assembled, a 10 K precision resistor is placed in the test position, R,; the meter is set to the 10 K range and RV1 is adjusted for full scale deflection.
Reprinted Url Of This Article:
http://www.seekic.com/circuit_diagram/Measuring_and_Test_Circuit/LINEAR_SCALE_OHMMETER.html
Print this Page | Comments | Reading(3)
Code: