Published:2009/7/17 2:31:00 Author:Jessie | From:SeekIC

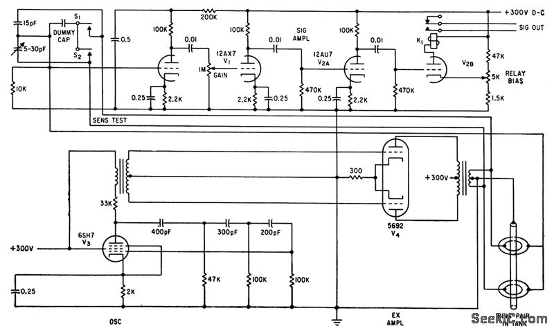
Nonconducting liquids change electrostatic capacitance of ring electrodes in tank. Amplified error signal from electrode bridge operates recording galvanometer or indicator lamps to provide measurements of level accurate to 0.01 inch.-T. L. Greenwood, Capacitance Change Indicates liquid Levels, Electronics, 33;34, p 66-67..
Reprinted Url Of This Article:
http://www.seekic.com/circuit_diagram/Measuring_and_Test_Circuit/LIQUID_LEVEL.html
Print this Page | Comments | Reading(3)
Code: