Published:2009/7/13 22:34:00 Author:May | From:SeekIC

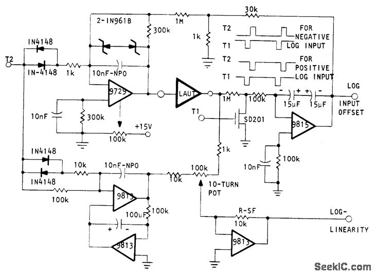
Circuit sweeps logamp under test (LAUT) over its dynamic range while automatically canceling offset voltage at input, with output serving as indication of this offset voltage. Exponential deeay voltage generated is accurate from 10 V to 100 μV. At time zero, pulse T2 is applied to Optical Electronics 9729 opamp connected as exponential generator, charging NPO feedback capacitor to 10V. At end of pulse, opamp output voltage decays exponentially. Input pulse also generates ±10 V precision reference ramp in pair of 9813 opamps. Output of LAUT is compared with reference ramp; any difference is proportional to nonlinearity of logamp.- Testing Logarithmic Amplifiers, Optical Electronics, Tucson, AZ, Tech Tip 10268.
Reprinted Url Of This Article:
http://www.seekic.com/circuit_diagram/Measuring_and_Test_Circuit/LOGAMP_TESTER.html
Print this Page | Comments | Reading(3)
Code: