Published:2009/6/15 22:55:00 Author:May | From:SeekIC

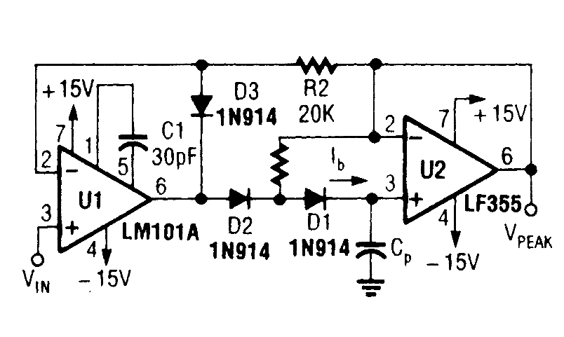
Leakage of D2 is provided by feedback path throtlgh Rf Leakage of circuit is essenttany lb(LF155,LF156) plus capacitor leakage of Cp Diode D3 clamps Vout (Al) to Vin-VD3 to improve speed and to limit reverse bias of D2 Maximum input frequency should be<<1/2πRfCD2,where CD2 is shunt capacitance of D2
Reprinted Url Of This Article:
http://www.seekic.com/circuit_diagram/Measuring_and_Test_Circuit/LOW_DRIFT_PEAK_DETECTOR.html
Print this Page | Comments | Reading(3)
Code: