Published:2009/6/23 2:47:00 Author:May | From:SeekIC


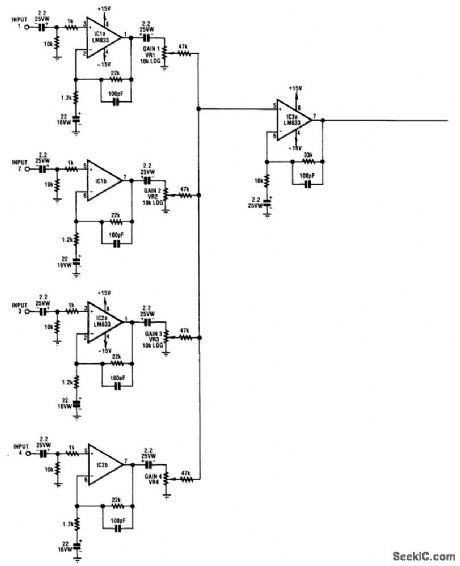
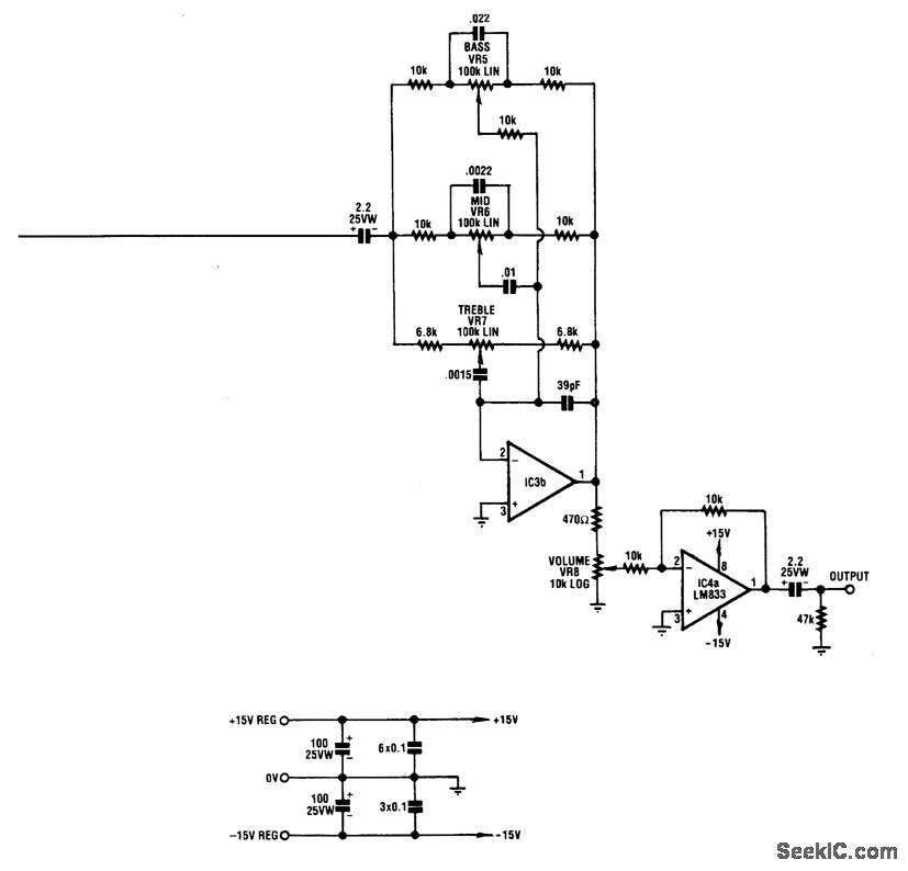
IC1-a,IC1-b,IC2-a,and IC2-b all function with a gain of about 19. Their outputs are mixed via the level-control pots and the resulting signal amplified by IC3-a and fed to tone-control stage IC3-b.Finally,the output from IC3-b is fed to unity gain buffer stage IC4-a via volume-control potgntiometer VR8.
Reprinted Url Of This Article:
http://www.seekic.com/circuit_diagram/Measuring_and_Test_Circuit/LOW_NOISE_4_CHANNEL_GUITAR_MIXER.html
Print this Page | Comments | Reading(3)
Code: