Published:2009/7/10 1:56:00 Author:May | From:SeekIC

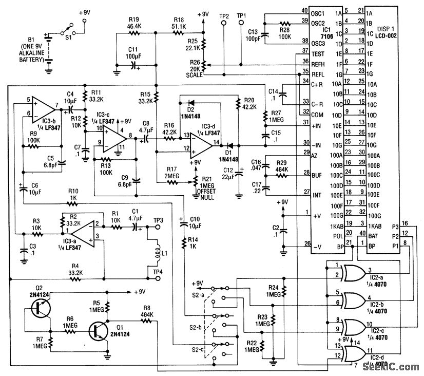
Using a pickup coil to drive an amplifier (IC3A-B-C-D), this meter circuit can be directly calibrated in field-intensity units. R3/C3 and R12/C7 establish a frequency roll off that compensates for the pickup-coil sensitivity, and set a 20-kHz cut-off point. S2 is the range-select switch. L1 is an 18-turn 3 diameter coil.The frequency range is 50 Hz to 20 kHz and the range of measurement is 0.1 to 20000 microlbsiers (μT).
Reprinted Url Of This Article:
http://www.seekic.com/circuit_diagram/Measuring_and_Test_Circuit/MAGNETIC_FIELD_METER.html
Print this Page | Comments | Reading(3)
Code: