Published:2009/7/2 3:37:00 Author:May | From:SeekIC

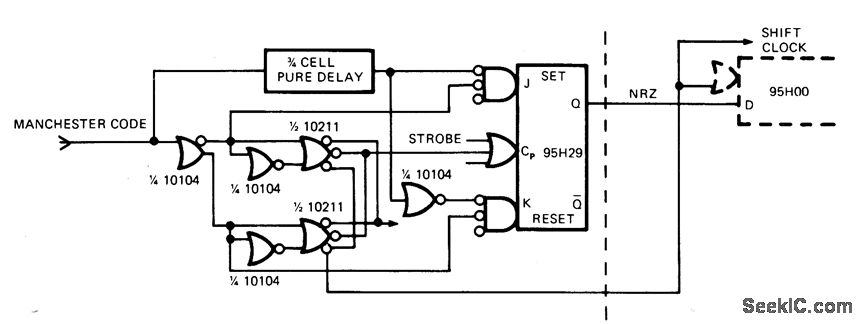
Digital approach using ECL provides maximum speed, isselfsynchronizing for altemate bitpairs, and has minimum complexity. Developed for optically coupled 25-channel PCM telemetry system used over single optical-fiber channel.Undesired transitions in input data are masked by creating strobe. Approach recognizes distinction between identical sequences that would give some output except for time-of-occurrence restriction. Article gives step-by-step design procedure, waveforms, and excitation table.-B. R. Jarrett, Could You Design a High-Speed Manchester-Code Demodulator?,EDN Magazine,Aug.20,1974,p 75-80.
Reprinted Url Of This Article:
http://www.seekic.com/circuit_diagram/Measuring_and_Test_Circuit/MANCHESTER_CODE_DEMODULATOR.html
Print this Page | Comments | Reading(3)
Code: