Published:2009/7/15 2:22:00 Author:Jessie | From:SeekIC

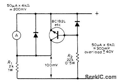
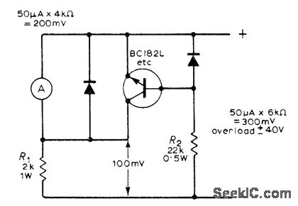
When used with basic meter movement, circuit ensures that overloads merely make pointer run off scale in either direction in controlled manner and press gently against stop pin instead of winding around pin, Values shown will suit most meter movements, but article gives complete design procedure. If voltage being measured is between 350 and 700 mV, use two diodes in series in each position. For voltages between 700 mV and 1 V, use three diodes in series. Diode types are not critical.-C, Shenton, Meter Protection Circuit, Wireless World, Oct. 1972, p 475.
Reprinted Url Of This Article:
http://www.seekic.com/circuit_diagram/Measuring_and_Test_Circuit/METER_OVERLOAD.html
Print this Page | Comments | Reading(3)
Code: