Published:2009/7/10 21:08:00 Author:May | From:SeekIC

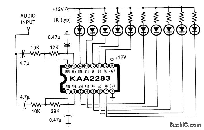
This mono indicator uses both halves of a Samsung KAA2283.Levels displayes are -18 to 0dB in 2-dB steps. Sensitivity is 0.1 to 0.9mV.
Reprinted Url Of This Article:
http://www.seekic.com/circuit_diagram/Measuring_and_Test_Circuit/MONO_AUDIO_LEVEL_METER.html
Print this Page | Comments | Reading(3)
Code: