Published:2009/7/19 22:01:00 Author:Jessie | From:SeekIC

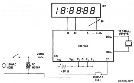
This circuit shows an ICM7249 that is connected as an hours-in-use meter and is capable of displaying how many hours that line voltage is applied to the motor. This configuration will operate continuously for 21/2 years using a 3-V lithium cell. Without the display (which only needs to be connected when a reading is required), the circuit will operate for about 10 years. Harris Semiconductors Data Acquisition, 1991. p 11-89
Reprinted Url Of This Article:
http://www.seekic.com/circuit_diagram/Measuring_and_Test_Circuit/MOTOR_HOUR_METER.html
Print this Page | Comments | Reading(3)
Code: