Published:2009/7/6 3:40:00 Author:May | From:SeekIC



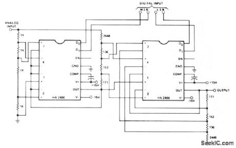
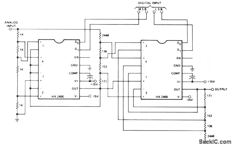
The circuit performs the function:
VOUT = VIN × N/16
where N IS the binary number from 0 to 15 formed by the digital input If the analog input iS a fixed dc reference,the circuit 15 a conventional 4-bit D to ac signal,in which case the output is the product of the analog signal and the digital signal The circuit on the left is a programmable attenuator with weights of 0,1/4,1/2,or 3/4 The circult on the rightis a noninverUng adder, which adds weights to the first output of 0,1/16,1/8,or 3/16 If four quadrant multiplicatlon is required,place a phase selector circuit in series with either the analog input or output The Do input of that stage becomes the+or-slgn bit of the atgttal input.
Reprinted Url Of This Article:
http://www.seekic.com/circuit_diagram/Measuring_and_Test_Circuit/MULTIPLYING_D_A_CONVERTER.html
Print this Page | Comments | Reading(3)
Code: