Published:2009/7/17 2:33:00 Author:Jessie | From:SeekIC

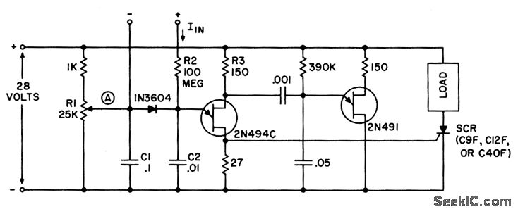
May be used as sensitive current detector or as voltage detector having high input impedance. Circuit input impedance is 100 meg. Input current of 40 nanoamperes charges C2 and raises emitter voltage of 2N494C to trig goring level. C1 and C2 then discharge, and resulting positive pulse triggers scr or other pulse-sensitive circuitry.-Transistor Manual, Seventh Edition, General Electric Co., 1964, p 326.
Reprinted Url Of This Article:
http://www.seekic.com/circuit_diagram/Measuring_and_Test_Circuit/NANOAMPERE_SENSING_CIRCUIT.html
Print this Page | Comments | Reading(3)
Code: