Published:2009/7/7 22:19:00 Author:May | From:SeekIC

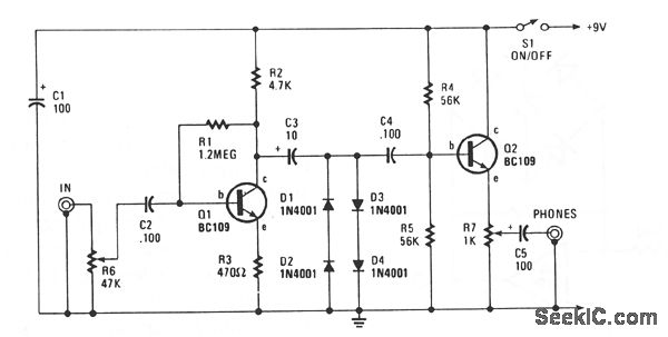
This circuit is fed from the earphone jack of your receiver and goes to limiter control R6 and is then amplified by Q1: a common-emitter stage that has a voltage gain of only about 10, because of the negative feedback introduced by R3. The output of Q1 is fed to a simple clipping circuit, consisting of diodes Dl through D4. The diodes, connected in pairs, act like Zeners with an avalanche rating of about 1 V. The two pairs are connected opposite in polarity to each other, so that the audio signal is clipped at about 1 V. The signal is then coupled to the output socket through an emitter-follower buffer stage built around Q2 and an output attenuator control R7.
Reprinted Url Of This Article:
http://www.seekic.com/circuit_diagram/Measuring_and_Test_Circuit/NOISE_LIMITER.html
Print this Page | Comments | Reading(3)
Code: