Published:2009/7/11 2:42:00 Author:May | From:SeekIC

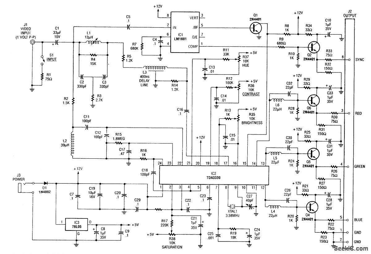
An NTSC/RGB decoder is shown here. Using a TDA3330, 1-V input video is broken down into its R, G, B components, and composite synch. U1 is an integrated synch separator (LM1881). This circuit should be useful for interfacing RGB monitors to NTSC video systems.
Reprinted Url Of This Article:
http://www.seekic.com/circuit_diagram/Measuring_and_Test_Circuit/NTSC_RGB_VIDEO_DECODER.html
Print this Page | Comments | Reading(3)
Code: