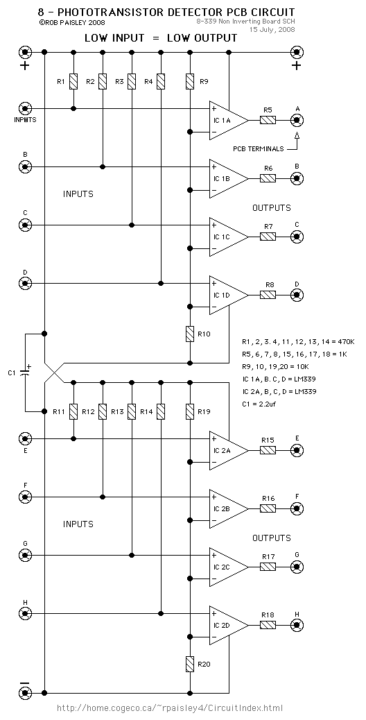
Published:2013/5/22 21:54:00 Author:muriel | Keyword: Non Inverting 8, Photo-Detector, PCB Schematic | From:SeekIC

Reprinted Url Of This Article:
http://www.seekic.com/circuit_diagram/Measuring_and_Test_Circuit/Non_Inverting_8___Photo_Detector_PCB_Schematic.html
Print this Page | Comments | Reading(3)
Code: