Published:2009/7/15 3:32:00 Author:Jessie | From:SeekIC

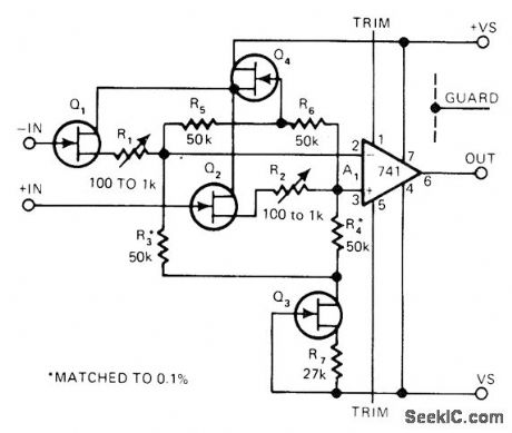
Use of FET input keeps input bias current down to 20 femtoamperes, with common-mode input resistance of 1015 ohms. Uses Analog Devices AD 832 dual JFET Q1-Q2 in source-follower connection, with low-cost general-purpose AD 3958 dual FET generating operating current and providing bootstrapping for Q1-Q2. Article covers guarding techniques used to minimize leakage currents.-J. Dostal, Electrometer Boasts Low Bias Current, EDN Magazine, Jan. 20, 1977, p 90 and 92.
Reprinted Url Of This Article:
http://www.seekic.com/circuit_diagram/Measuring_and_Test_Circuit/OPAMP_ELECTROMETER.html
Print this Page | Comments | Reading(3)
Code: