Published:2009/7/8 2:02:00 Author:May | From:SeekIC

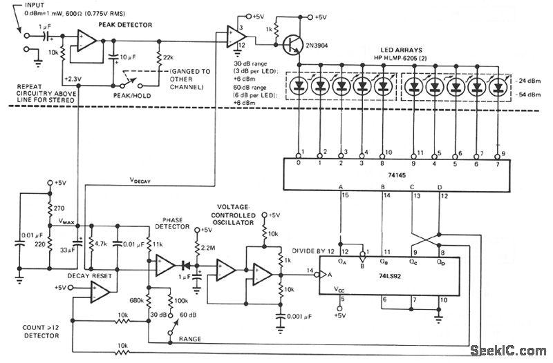
This circuit compares a rectified input,VNN, with a voltage that decays exponentially across a 4.7-kΩ resistor and a 0.01-μF capacitor.Comparing the exponentially decaying voltage with the rectified input provides a peak-level indication that requires no adjustment.A phaes-locked loop controls the scan rate so that each LED represents 6 dB in the 30 dB range.
Reprinted Url Of This Article:
http://www.seekic.com/circuit_diagram/Measuring_and_Test_Circuit/PEAK_dB_METER.html
Print this Page | Comments | Reading(3)
Code: