Published:2009/6/19 3:55:00 Author:May | From:SeekIC


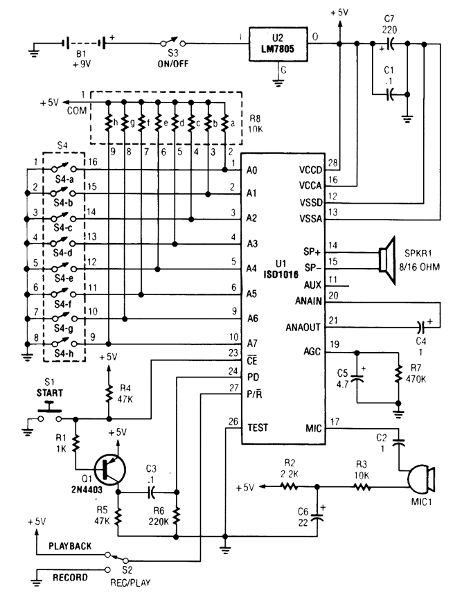
The personal message recorder is built around an ISD1016 CMOS voice messaging system, which does away with the cumbersome and expensive analog-to-digital and digital-to-analog con-version circuits.
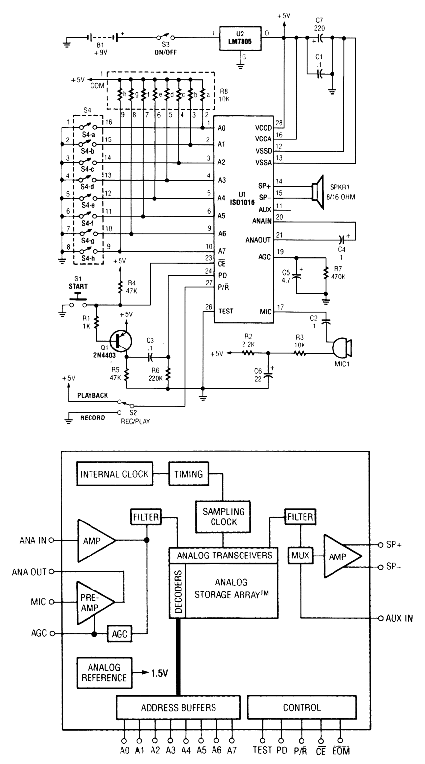
A functional block diagram of the ISD1016 is shown. The ISD1016 contains all of the functions necessary for a complete message-storage system. The preamplifier stage accepts audio signals di-rectly from an external microphone and routes the signals to the ANA OUT (analog out) terminal. An automatic-gain control (AGC) dynamically adjusts the preamplifier gain to extend the input signal range. Together, the preamp and ACrC circuits provide a maximum gain of 24 dB. The internal clock samples the signal and, under the control of the address-decoding logic, writes the sampling to the analog-storage array. Eight external input lines allow the ISD1016's message space to be addressed in 160 equal segments, each with a 100-millisecond duration. When all address lines are held low, the storage array can hold a single, continuous, 16-second message.
However, there is a special addition to the POWER DOWN input (pin 24) of UI. If the internal mem-ory becomes full during recording, an overflow condition is generated in order to trigger the next de-vice. Once an overflow occurs, pin 24 must be taken high and then low again before a new playback of record operation can be started.
Transistor Q1, C3, R5, and R6 form a one-shot pulse generator that automatically clears any overflow condition each time that start switch (51) is pressed. Switch 52 selects either the playback or the record mode. Switch 54-an 8-position (a-h) DIP switch-is included in the circuit to allow the circuit's record/playback time to be varied from 0 to 16 seconds. The maximum time available is when al18 switch positions are closed (or set to the on position). Resistor network R8 (a-h) is in-cluded in the circuit to provide a pull-up function for the address lines, which thereby controls UI's record/playback time.
Reprinted Url Of This Article:
http://www.seekic.com/circuit_diagram/Measuring_and_Test_Circuit/PERSONAL_MESSAGE_RECORDER.html
Print this Page | Comments | Reading(3)
Code: