Published:2009/7/2 3:57:00 Author:May | From:SeekIC

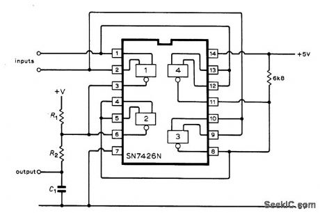
Uses quadruple two-input NAND-gate IC with minimum of external components. DC output level is absolutely linear with phase difference at inputs, making circuit suitable for phase-locked loops and phase-shift keyed demodulation. Output is rectangular wave whose mark-space ratio is proportional to phase difference between input square waves. This output is applied to lowpass filter R2-C1, having values chosen to suit operating frequency and required output resistance. R1 is chosen to give required output swing up to maximum of 15 V.-R. A. Harrold, Inexpensive P.S.D., Wireless World, Jan. 1973, p32.
Reprinted Url Of This Article:
http://www.seekic.com/circuit_diagram/Measuring_and_Test_Circuit/PHASE_SENSITIVE_DETECTOR.html
Print this Page | Comments | Reading(3)
Code: