Published:2009/7/10 21:22:00 Author:May | From:SeekIC

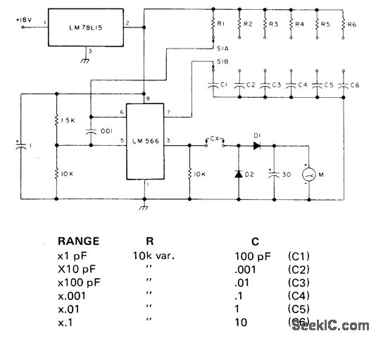
Based on fact thatalternating cument floating through capacitordepends on applied voltage, frequency,and capacitance value Circuit uses square wave forcharging capacitor to full voltage,then measures current flow as linear function of capacitance,LM78L15 provides regulated 15 V for LM566 PLL VCO. Frequency ofVCO depends on values of R and C selected by rotary switch S1,to give six linear scales:0-10 pF.10-100 pF.100-1000 pF,1000 pF to 0.01 μF,0.01-0.1μF and 0.1-1 μF Accuracy is about±5% Meter is 100 μA.Use small signal diodes,-S.Shields,How Many pF is That Capacitor,Really?, 73 Mgazine, March 1978,p 48-50.
Reprinted Url Of This Article:
http://www.seekic.com/circuit_diagram/Measuring_and_Test_Circuit/PLL_CAPACITANCE_METER.html
Print this Page | Comments | Reading(3)
Code: