Published:2009/7/11 1:57:00 Author:May | From:SeekIC

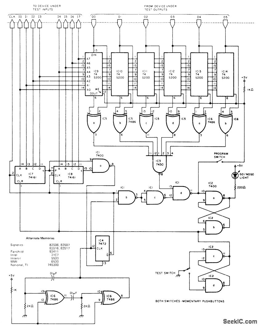
Provides automatic, instantaneous, and exhaustive tests of most small-scale integration gates, inverters, flip-flops, etc, and medium-scale integration counters, latches, shift registers, etc. Circuit sends eight lines of input data to device under test (DUT) and receives six lines of output. When TEST switch is closed, binary counter driving DUT input lines is cleared and flip-flop driving GO/NO-GO light is set. Upon release of switch, counter increments through all 256 input conditions. Between counts, data on output lines is compared with data stored in memories IC9-IC14. If mismatch exists, GO/NO-GO flip-flop is cleared at terminal count, CLEAR input of clock oscillator flip-flop is driven low, and further counts are inhibited until TEST button is pushed again. If GO/NO-GO light stays on, component passes test. To program, hold PROGRAM button down while testing known good device. Article gives examples of various applications.-M. Thorson, A. Programmable IC Tester, BYTE, June 1978, p 28, 30, 32, and 35.
Reprinted Url Of This Article:
http://www.seekic.com/circuit_diagram/Measuring_and_Test_Circuit/PROGRAMMABLE_IC_TESTER.html
Print this Page | Comments | Reading(3)
Code: