Published:2009/7/17 2:43:00 Author:Jessie | From:SeekIC

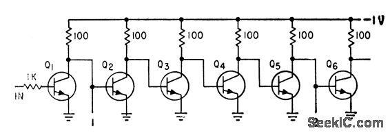
Inverter circuit chain was developed to measure propagation time of 2N834 epitaxial mesa transistors. Pulse is applied to input, and outputs at 1 and 2 compared to get shift for four stages. Typi-cal time measured was 4 nsec per stage.-W. D. Roehr, Epitaxial Process Improves Transistor Characteristics, Electronics, 34:9, p 52-53.
Reprinted Url Of This Article:
http://www.seekic.com/circuit_diagram/Measuring_and_Test_Circuit/PROPAGATION_TIME.html
Print this Page | Comments | Reading(3)
Code: