Published:2009/7/16 22:57:00 Author:Jessie | From:SeekIC

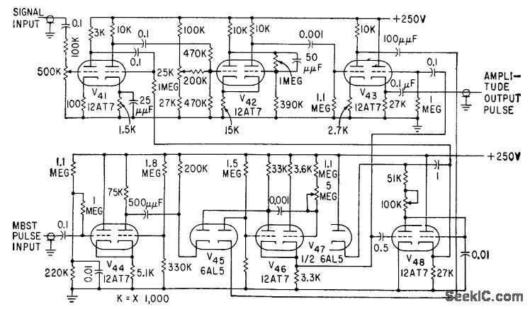
Produces pulse whose width is linearly related to se looted portion of input signal. V42 is Schmitt trigger. V46 is flip-flop controlled by output from mognetron-beam switching tube (MBST) for selecting desired sample of signal. Output pulse width is sampled and measured by counter.-J. F. Lyons, Jr., Analyzing Multipath Delay in Communications Studies, Electronics, 32:36, p 52-55.
Reprinted Url Of This Article:
http://www.seekic.com/circuit_diagram/Measuring_and_Test_Circuit/PULSE_AMPLITUDE_MEASUREMENT.html
Print this Page | Comments | Reading(3)
Code: