Published:2009/7/11 4:39:00 Author:May | From:SeekIC

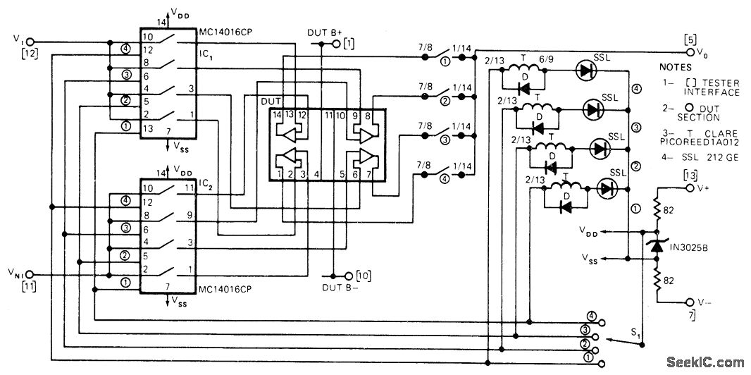
Interface circuit shown permits use of single-opamp tester for testing quads without major modification of tester's original function. Interface operates on power available from tester, which can be Teledyne/Philbrick 5102 or current Tektronix or ESI testers. CM0S input transmission gates IC1 and IC2, supply input signals to sections of device under test (DUT). Gate control signals are supplied by section selector S1; switch can be automated by using two-line BCD selection, Same switch also activates reed relay that cona nects respective amplifier section to load and output monitoring circuits of tester. LEDs indicate section under test. Interface can be used with LM124, CA124, and MC3503 series of quad opamps.-A. C. Svoboda, Use a Single Op-Amp TesterforQuads, EDN Magazine, March 5, 1975, p76.
Reprinted Url Of This Article:
http://www.seekic.com/circuit_diagram/Measuring_and_Test_Circuit/QUAD_OPAMP_TESTER.html
Print this Page | Comments | Reading(3)
Code: