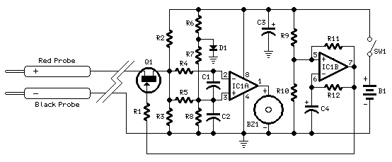
Published:2012/12/23 21:10:00 Author:muriel | Keyword: Quick, on-board Junction, Tester | From:SeekIC

Reprinted Url Of This Article:
http://www.seekic.com/circuit_diagram/Measuring_and_Test_Circuit/Quick_on_board_Junction_Tester.html
Print this Page | Comments | Reading(3)
Code: