© 2008-2012 SeekIC.com Corp.All Rights Reserved.
Published:2009/7/8 5:02:00 Author:May | From:SeekIC

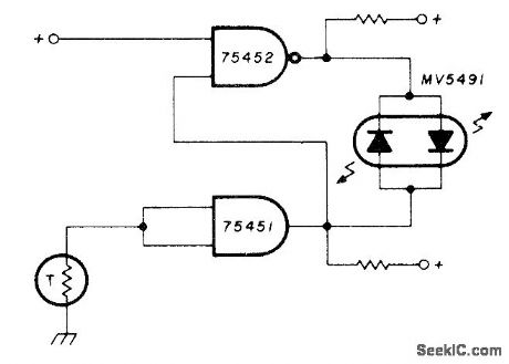
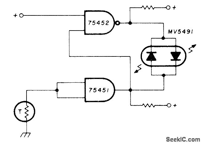
Set points are adjusted by trimming resistor shunted across thermistor, to give onecolor when desired temperature has been reached and other color when temperature is low. Uses Monsanto MV5491 dual red/green LED, with 220 ohms in upper lead to +5 V supply and 100 ohms in Iower +5 V Iead because red and green LEDs in parallel back-to-back have different voltage rea quirements. LED drivers are SN75452 and SN75451.-K. Powell, Novel Indicator Circuit, Ham Radio, April1977, p 60-63.
Reprinted Url Of This Article:
http://www.seekic.com/circuit_diagram/Measuring_and_Test_Circuit/RED_GREEN_LED_MONITOR.html
Print this Page | Comments | Reading(3)
Response in 12 hours
© 2008-2012 SeekIC.com Corp.All Rights Reserved.
Code: