Published:2009/7/1 2:11:00 Author:May | From:SeekIC

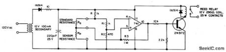
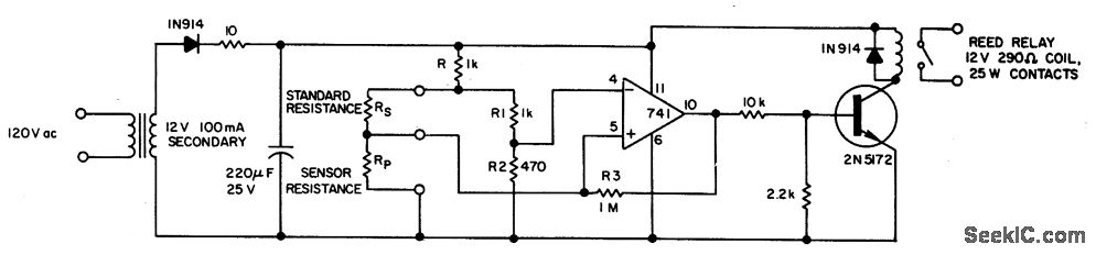
Applications such as photoelectric control, temperature detection and moisture sensing require a circuit that can accurately detect a given resistance ratio. A simple technique that uses an op amp as a sensini element can provide 0.5% accuracy with low parts cost. The reed-relay contacts close when the resistance of the sensor Rp equals 47% of the standard Rs. Adjusting either R1 or R2 provides a variable threshold; the threshold is controlled by varying R3. For the most part, the type of resistors used for R1 and R2 determines the accuracy and stability of the circuit. With metal-ftlm resistors, less than 0.5% change in ratio sensing occurs over the commercial temperature range (0 to 70 C) with ac input variations from 105 to 135 V.
Reprinted Url Of This Article:
http://www.seekic.com/circuit_diagram/Measuring_and_Test_Circuit/RESISTANCE_RATIO_DETECTOR.html
Print this Page | Comments | Reading(3)
Code: