Published:2009/7/13 23:32:00 Author:May | From:SeekIC

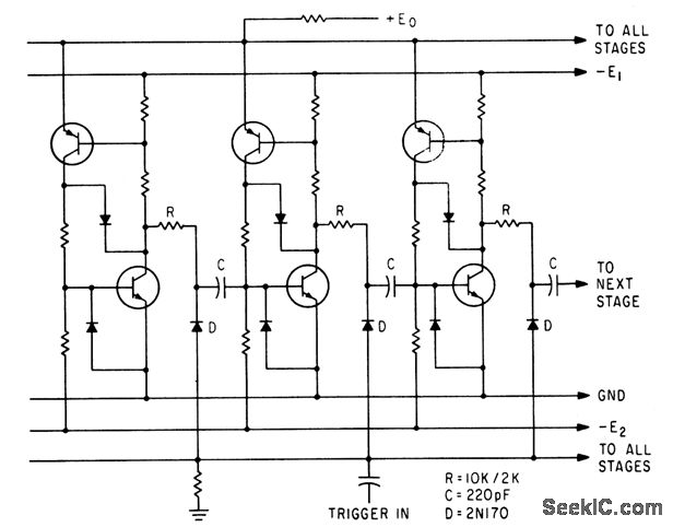
Can be operated above 100 kc. Reversible operation requires binary control, such as by bistable mvbr, to determine direction. Upper transistors are 2N414 and lower are 2N488.Other resistors are 1K.-N. C. Hekimian, PNP-NPN CIRCUITS: New Look at a Familiar Connection, Electronics, 35:47, p 42-46.
Reprinted Url Of This Article:
http://www.seekic.com/circuit_diagram/Measuring_and_Test_Circuit/REVERSIBLE_TEN_SIAGE_RING_COUNTER.html
Print this Page | Comments | Reading(3)
Code: