Published:2011/5/9 22:16:00 Author:Sharon | Keyword: RMS, Power Measurement | From:SeekIC



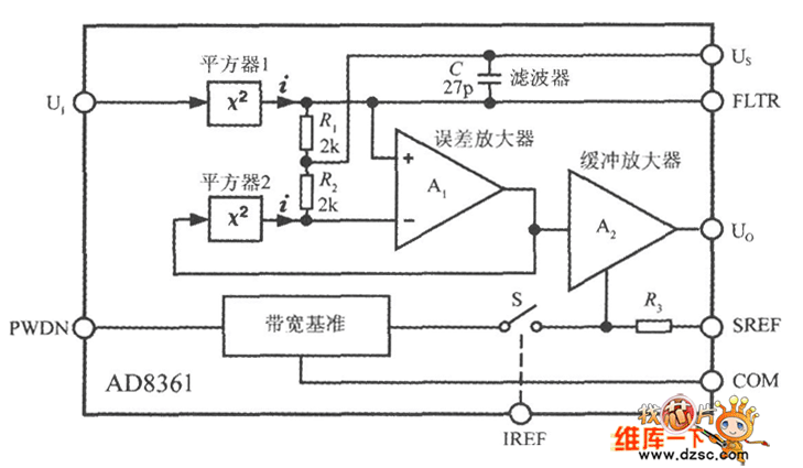
A true RMS power measurement circuit diagram is shown in below figure. The typical product corresponding to the circuit is the AD8361 monolithic RF RMS power detection IC. UI is for RF signal input, and Uo is for DC voltage output. Us termination is linked to+2.7 ~ +5.5 V power supply, and COM acts as public land. IREF is the work mode selective terminal, and PWDN is the sleep mode control terminal. FLTR is the filter terminal. Placing a capacitor between it and the Us side in parallel can reduce the filter cutoff frequency. SREF is the power control terminal. RF RMS voltage input from UI-end is UI, through square1 there generates a pulse current signal i proportional to UI2. The current signal gets through the square-law detector which is formed by the internal resistor R1 and capacitor C to obtain the mean square value of the voltage UI2, and then it is input to the error amplifier inverting.Squarer2 and the error amplifier can form a closed negative feedback circuit,whichwill addthe negative feedback signal into the error amplifier inverting input for temperature compensation. When the closed loop circuit reaches a steady state, the output voltage Uo (DC) is proportional to the input RMS power PIN. The relationship is: Uo = kPIN, where the k for the RMS / DC converter's output voltage sensitivity, AD8361 for k = 7.5mV/dBm.
This detection method has the following advantages: First, since the two squarers are identical, the change of range does not affect the conversion accuracy; second, when the ambient temperature changes, two squares can conduct mutual compensation, so that the output voltage is stable; third, the band of the used squarers are very wide, which isfrom DC to microwave frequencies.
The RMS / DC detector Uo and PIN, γ the characteristic curve is shown below.
The figure shows that when input power is low, low temperature has a greater impact on output. AD8361 has internal temperature compensation circuit in itself. The characteristic curve after automatic compensation is shown below.
Reprinted Url Of This Article:
http://www.seekic.com/circuit_diagram/Measuring_and_Test_Circuit/RMS_Power_Measurement_Circuit`.html
Print this Page | Comments | Reading(3)
Code: