Published:2009/7/6 8:40:00 Author:May | From:SeekIC

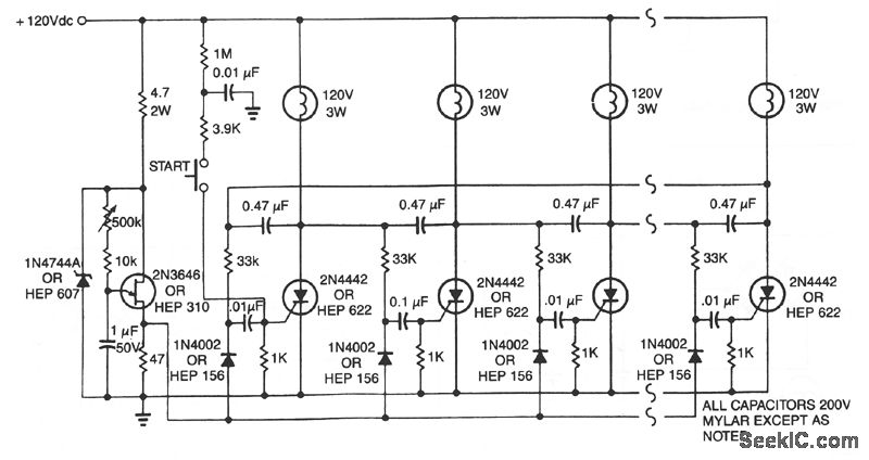
One lamp at a time is lit in the string to give the appearance of a moving point of light.
Reprinted Url Of This Article:
http://www.seekic.com/circuit_diagram/Measuring_and_Test_Circuit/SCR_RING_COUNTER.html
Print this Page | Comments | Reading(3)
Code: