Published:2009/7/13 4:29:00 Author:May | From:SeekIC



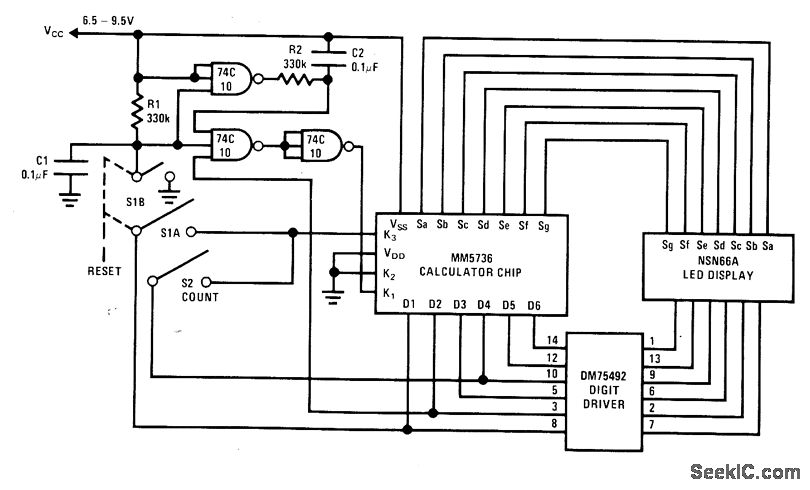
UJT relaxation oscillator Q1 supplies series of pulses to input pin 14 of RS7490 decade counter at frequency determined by setting of R2 and value used for C1 Counter feeds corresponding BCD outputs to BCD input pins of RS7447 decoder for conver-sion into 7-segment decimal format for driving Radio Shack 276-052 LED display. Ideal for class-room demonstrations a nd Science Fair exhibits. 6-V battery with 1N914 diode in series can be used in place of 5-V supply. -F. M. Mims, In-tegrated Circuit Projects, Vol. 2, Radio Shack, Fort Worth, TX, 1977, 2nd Ed., p 41-56.
Reprinted Url Of This Article:
http://www.seekic.com/circuit_diagram/Measuring_and_Test_Circuit/SELF_DRIVING_COUNTER.html
Print this Page | Comments | Reading(3)
Code: