Published:2009/7/13 4:09:00 Author:May | From:SeekIC

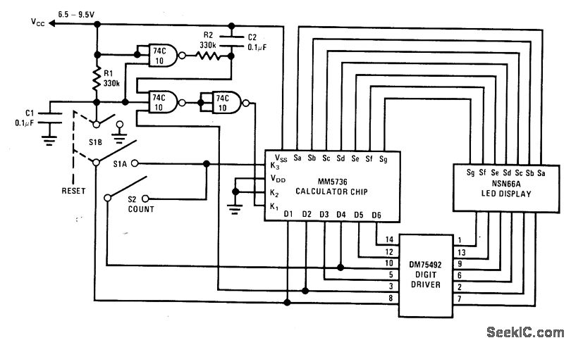
Addition of three Iogic elements eliminates need for separate starting switch when using National MM5736 calculator chip as counter driving LED display. When reset switch is returned to normal posi-tion after pushing it to clear calculator, addi-tional parts serve to generate delayed pulse that gates digit output 2 into calculator and thus enters a 1. This action resets counter with single manual operation. -M. Watts, Calculator Chip Makes a Counter, National Semiconductor, Santa Clara, CA, 1974, AN-112, p 4.
Reprinted Url Of This Article:
http://www.seekic.com/circuit_diagram/Measuring_and_Test_Circuit/SELF_STARTING_COUNTER.html
Print this Page | Comments | Reading(3)
Code: