Published:2013/5/7 21:14:00 Author:muriel | Keyword: SENSITIVE GEOMAGNETIC DETECTOR | From:SeekIC

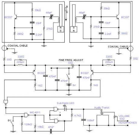
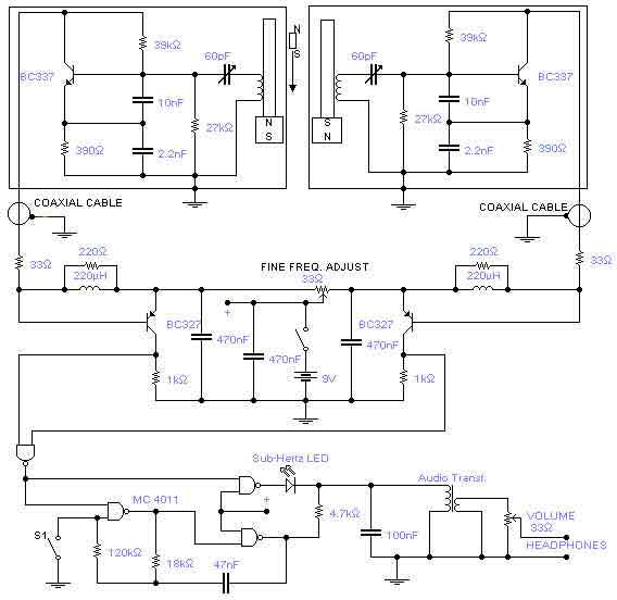
This is a rather sensitive circuit which will detect minute variations of a magnetic field, particularly the Earth magnetic field. The principle is based on an audio beat tone generated by two identical oscillators. These must be built in the same manner with the same type of components. In this way we minimize influence from temperature and voltage variations. The two oscillators, called probes, are housed in plastic boxes padded, on the inside, with copper wires terminated in one point only and running parallel to the ferrite rod. This rod, together with the coil was removed from an old Medium Wave radio and a small and powerful magnet was glued on one side. An extra magnet was placed on the outside of one of the boxes in order to set the initial or zero beat tone. This magnet is rotated or moved up and down until you hear the right frequency. A small hole is made in each plastic box in order to adjust the trimmer capacitor. Switch S1 will enable the sub-Hertz detector: in this way you will be able to hear the beat note even if the difference between the two probes is below the threshold level of around 20Hz and you will pick up differences well below 1Hz. The two probes are connected to the main box using standard RG58 coaxial cable tested up to a length of 15m. Operating frequency is 1.25MHz and it is sensitive enough to feel the rotation of a speaker magnet 2m away. Battery voltage is 9V.
Reprinted Url Of This Article:
http://www.seekic.com/circuit_diagram/Measuring_and_Test_Circuit/SENSITIVE_GEOMAGNETIC_DETECTOR.html
Print this Page | Comments | Reading(3)
Code: