Published:2009/7/9 20:31:00 Author:May | From:SeekIC




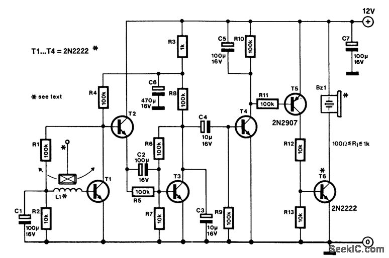
This highly sensitive movement detector is designed from bipolar transistors and draws a current of only 0.3 mA during quiescent operation. It is intended primarily as a protection device, but it can also be used in certain games.The principle is simple: a magnet is suspended by a thin thread 20 to 30 mm long, and a few millime-ters above the coil of a relay (whose contacts are not used). Even a minute movement of the protectedobject will disturb the magnet. The resulting changes in the magnetic field above the relay coil will induce a tiny varying voltage across the coil.The first stage consists of a common emitter design with automatic regulation. The collector resistors and the resistors in the regulation bridge have unusually high values.Feedback from the bridge ensures stability of operation for T1. Each increase in collector voltage will be opposed by an increase in base-emitter current. Conversely, each reduction in collector voltage will be opposed by a decrease in base-emitter current. Consequently, the collector voltage will stabilize at a value that corresponds to a base voltage of about 0.6 V. Capacitor C1 delays the immediate effect of the feed-back when the collector voltage changes rapidly.The small varying voltage induced in the relay con is magnified appreciably by T1 because C1 prevents automatic regulation. The output impedance of the first stage is very high, which is, of course, the price to be paid for low consumption. It would not make sense to follow this stage by one with a low output impedance, because this would adversely affect the overall amplification. Because of that, T1 is followed by an emitter-follower, T2, which provides the coupling between T1 and T3. Resistor R5 allows a partial discharge of C2 if T2 is switched off by a reduction in the output of T1. Because this resistor, as a result of the low-consump-tion requirement, has a high value, the circuit will attain its maximum sensitivity 10 seconds after the last movement detection. This is the time that is required for the charge on capacitor C2 to stabilize.The detection proper is carried out by T4, which switches on when the voltage variations in the ampli-fier, passed on by C4, reach a level of 0.6 V. Saturating T4 leads to the instant charging of C5. This capaci-tor will discharge partly via R10 and R11 to the base of T5 when T4 switches off again. When C5 dis-charges, T5 is on, which will make T6 conduct. This in turn will actuate a load, for instance, a buzzer, in the collector circuit of T6.The sensitivity of the detector depends to a large extent on the distance between the magnet and relay and the length of the pendulum. If the circuit is powered by a battery, there is a little problem: batteries have large internal resistances.Thus, a supply voltage can vary by some tenths of a volt if a sudden, large current is drawn. If the buzzer has stopped after a detection, such a situation can retrigger the circuit and cause undesired oscillations. To prevent this happening, the supply of the amplifier stage is decoupled by R3 and C6.
Reprinted Url Of This Article:
http://www.seekic.com/circuit_diagram/Measuring_and_Test_Circuit/SENSITIVE_LOW_CURRENT_DRAIN_MOTION_DETECTOR.html
Print this Page | Comments | Reading(3)
Code: