Published:2009/7/12 21:54:00 Author:May | From:SeekIC

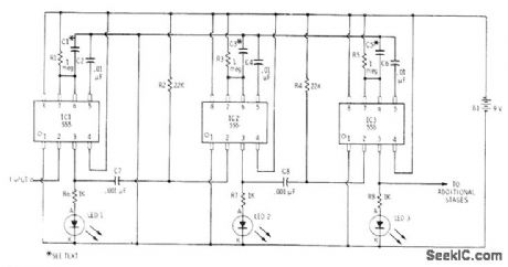
Cascading of three 555 timels, each driving LED, gives sequenced flashes with individually adjustable durations. Times of timers are determined by values used for C1, C3, and C5. R1, R3, and R5 values also affect time delays; use pots if 1 μF is used forall three capacitors.-F. M. Mints, Integrated Circult Projects, Vol. 5, Radio Shack, Fort Worth, TX, 1977, 2nd Ed., p 64-75.
Reprinted Url Of This Article:
http://www.seekic.com/circuit_diagram/Measuring_and_Test_Circuit/SEQUENCED_TIMERS.html
Print this Page | Comments | Reading(3)
Code: