Published:2009/7/1 21:20:00 Author:May | From:SeekIC

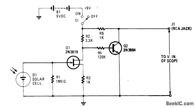
Circuit NotesThe soiar cell is connected across the input of the FET (fleld-effect transistor), Q1, so that it will produce positive dc voltage to the gate when activated by light shining through the open shutter, decreasing the negative gate-source bias already established by the source resistor, and causes an increase in drain current. The drain voltage goes more negative which causes a decrease in Q2's base current. Q2's collector current decreases, and its collector voltage becomes more positive. There is an amplified positive-going voltage output at the collector, and it's applied directly to the oscilloscope's vertical input, producing a waveform that is displaced vertically whenever light strikes the cell.
Reprinted Url Of This Article:
http://www.seekic.com/circuit_diagram/Measuring_and_Test_Circuit/SHUTTER_SPEED_TESTER.html
Print this Page | Comments | Reading(3)
Code: