Published:2009/6/28 21:03:00 Author:Jessie | From:SeekIC

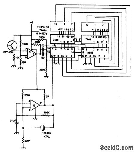
Shutter speed tester combines frequency counter, crystal oscillator, and photo-transistor-operated gate generator. Oscillator pulses are counted as long as the shutter is open. Reset is automatic at the instant the shutter opens.
Reprinted Url Of This Article:
http://www.seekic.com/circuit_diagram/Measuring_and_Test_Circuit/SHUTTER_TESTER.html
Print this Page | Comments | Reading(3)
Code: