Published:2009/7/3 4:27:00 Author:May | From:SeekIC

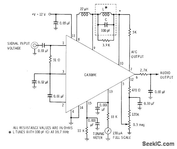
RCA CA3089E IC serves as communication receiver subsystem providing three-stage FM IF amplifier/limiter channel, with signal-level detectors for each stage, and quadrature detector that can be used with single-tuned detector coil. Detector also supplies drive to AFC amplifier whose output can be used to hold local oscillator orl correct frequency. Level-detector stages supply signal for tuning meter. Values shown are for 10.7-MHz IF.-E. M. Noll, Linear IC Principles, Experiments, and Projects, Howard W. Sams, Indianapolis, IN, 1974, P 374-379
Reprinted Url Of This Article:
http://www.seekic.com/circuit_diagram/Measuring_and_Test_Circuit/SIGLE_TUNED_DETECTOR.html
Print this Page | Comments | Reading(3)
Code: